Надежный и эффективный промышленный котел на дровах 0.7 мощностью 0,7 МВт, предназначен для стабильного отопления, горячего водоснабжения и вентиляции производственных, коммерческих и жилищно-коммунальных объектов площадью до 7700 м², температурой теплоносителя на выходе 95 - 115 °С, рабочим давлением 0,3 - 0,6 кгс/см (3,0 - 6,0) МПа.
Конструкция ручного промышленного котла HeatExpert на дровах мощностью 0.7 МВт обеспечивает эффективное сжигание древесного топлива типа в виде поленьев. Для этого предусмотрены:
Промышленный твердотопливный котел КВр-0.7-115 (95) Д применяется для автономного отопления, ГВС и вентиляции различных объектов:
Отопительный водогрейный котел КВр-0,7 Д на твердом топливе дровах — это стальной, стационарный, водотрубный, горизонтальный, напольный агрегат в легкой обмуровке изготавливается из круглой трубы сталь 20. Конструкция состоит из двух основных частей:
1. Топочной камеры: Объемная зона сжигания твердого топлива, усиленная охлаждаемой газоплотной конструкцией для повышения КПД и энергоэффективности.
2. Конвективной части: Двухходовой пучок труб, где дымовые газы, двигаясь по сложному тракту (вниз-вверх), максимально отдают тепло теплоносителю.
Для надежной и безопасной работы предусмотрено:
Регулировка мощности осуществляется просто: оператор изменяет интенсивность горения, управляя загрузкой топлива и регулируя подачу воздуха через шибер дутьевого вентилятора.
Промышленный дровяной котел HeatExpert КВр-0,7 Д с ручной загрузкой — это результат многолетнего опыта в проектировании надежного промышленного оборудования. Его конструкция продумана до мелочей для обеспечения высокого КПД, долговечности и простоты обслуживания.
Топочная камера представляет собой систему газоплотных водотрубных экранов. Трубы, по которым течет вода, расположены близко друг к другу, промежутки между ними герметично заварены стальной полосой.
После камеры сгорания дымовые газы не сразу уходят в дымоход, а попадают в высокоэффективную конвективную часть, работающую по принципу экономайзера.
При изготовлении водонагревательного котла 0.7 на дровах наш завод использует два вида колосников – чугунные и водонаполненные.
Чугунные колосники с щелевидными отверстиями собираются в решетку. Конструкция отверстий обеспечивает оптимальный подвод воздуха для горения и беспрепятственный провал шлака, предотвращая заклинивание. Мы устанавливаем в свои котлы, только надежные, тяжелые колосники с дополнительными ребрами жесткости, которые выдерживают не один отопительный сезон.
Водяные колосники собираются из труб, между которыми приварены металлические полосы с небольшими отверстиями. Размещение отверстий по всей поверхности колосника обеспечивает необходимое количество воздуха, а небольшой размер не дает провалиться в зольный короб недогоревшему топливу, тем самым гарантируя его полное догорание. Внутренне охлаждение труб производится за счет постоянного движения воды внутри труб. Это предотвращает перегрев и деформацию водяной решетки, обеспечивает длительный срок работы.
Промышленный котел 0.7 МВт под дрова имеет съемную облегченную обмуровку на основе плит базальтового волокна (ПТЭ), закрепленных на каркасе и защищенных обшивкой из стального листа.
Преимущество: Такая конструкция минимизирует тепловые потери в окружающую среду, повышая общий КПД котельной установки. Кроме того, она обеспечивает максимальную заводскую готовность – котел поставляется уже утепленным, что значительно ускоряет монтаж.
Конструкция предусматривает легкий доступ для чистки и осмотра:
Надежная конструкция водогрейного котла 0,7 на дровах HeatExpert обеспечит срок эксплуатации котла, а ваш объект стабильным и экономичным теплом на протяжении 10 лет.
1. Загрузка: Для удобства загрузки котел производится с двумя дверками, установленными одна над другой или одной большой по вашим размерам. Дрова забрасываются на топочную решетку через верхнюю дверцу.
2. Горение: Воздух на горение твердого топлива подается принудительно дутьевым вентилятором. Интенсивность горения регулируется шибером на воздуховоде.
3. Теплообмен: Дымовые газы, отдав лучистое тепло в топке, последовательно проходят две конвективные ступени (двигаясь вниз, а затем вверх), где интенсивно охлаждаются до 200 °С, отдавая тепло воде в трубах.
4. Удаление продуктов сгорания: Отработанные газы выводятся через шибер на задней стенке котла в газоход. Зола и шлак выгребается через загрузочную дверцу и через лючок зольника.
Мы осуществляем отгрузку котлов автотранспортом и железнодорожными перевозчиками в любую точку России и стран СНГ. Каждый котел КВр 0,7 Д на дровах надежно упаковывается и крепится для безопасной транспортировки.
Для расчета точной стоимости доставки до вашего города или населенного пункта отправьте нам онлайн-заявку. Наши логисты оперативно подготовят для вас варианты доставки с просчитанной стоимостью и сроками. Вы также можете уточнить любую информацию об условиях покупки котла онлайн, через форму обратной связи.
Чтобы купить промышленный водогрейный котел КВр-0.7 Д на дровах и получить комплексное решение для вашей котельной, свяжитесь с нами любым удобным способом:
Позвоните в отдел сбыта по телефону:
Напишите в отдел сбыта на электронную почту:
Отправьте онлайн-заявку на коммерческое предложение через сайт.
Наши специалисты помогут вам:
Котельный завод «РЭП» изготавливает котлы 0.7 на дровах не только по типовым проектам, но и по техническому заданию заказчика.
Мы можем изготовить для вас:
Цена водогрейного котла на дровах 0.7 МВт в Уфе включает в себя котельный блок в изоляции, колосники, вентили, затворы, манометры, термометры, вентилятор поддува и предохранительные клапаны. Ниже приведена подробная информация.
Для эффективной и надежной работы котла на дровах 0.7 МВт в вашей котельной вам потребуется дополнительное оборудование - автоматика ЩУК, дымосос, насос сетевой и подпиточный, золоуловитель (по желанию), газоходы и переходники для газового тракта, дымовая труба. Мы предлагаем рассмотреть типовые варианты комплектации.
В случае если у вас на объекте уже имеется насосное и тягодутьевое оборудование, мы можем проверить совместимость котла на дровах 0.7 МВт нашего производства и вашего оборудования.
Можем изготовить нестандартные узлы для выполнения быстрого монтажа котла - газоходы и узлы обвязки.
Типовую схему монтажа котла вы можете посмотреть во вкладке схемы подключения и монтаж.
Щит водогрейного котла обеспечивает:
Щит водогрейного котла показывает:
Щит водогрейного котла автоматическую остановку с индикацией причины аварии при:
Элементы для управления вентилятором устанавливаются в щите управления котлом.
Элементы управления дымососом и насосом устанавливаются в электросиловом щите котельной.
Автоматика водогрейного котла обеспечивает:
Автоматика водогрейного котла показывает:
Автоматика водогрейного котла осуществляет автоматическую остановку с индикацией причины аварии при:
Элементы для управления вентилятора и дымососом устанавливаются в блоке управления котлом.
Элементы управления насосом устанавливаются в общекотельном щите.
Водогрейный твердотопливный стальной отопительный котел на дровах 0.7 МВт, предназначен для получения горячей воды номинальной температурой на выходе из котла от 95 до 115 °С рабочим давлением до 0,6 (6,0) МПа (кгс/см), используемой в системах централизованного теплоснабжения на нужды отопления, горячего водоснабжения. Устанавливается в производственных, промышленных и отопительных котельных.
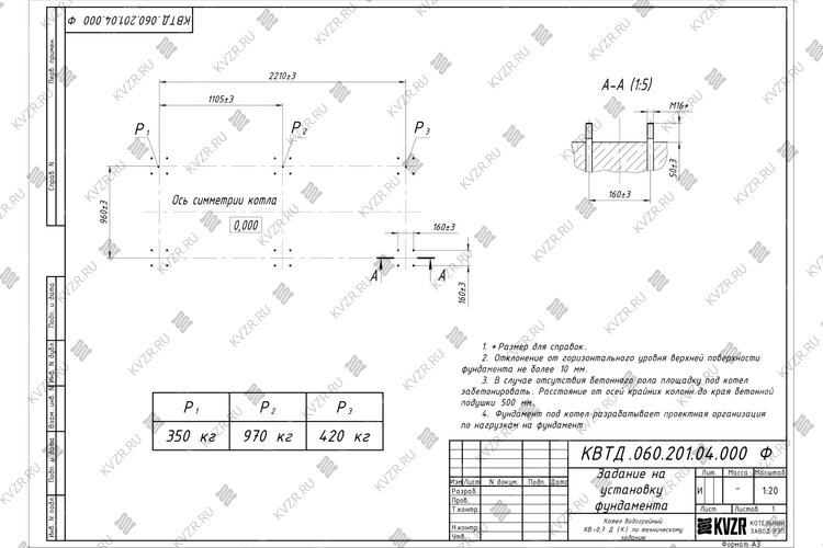
Монтаж водогрейного котла на дровах 0.7 МВт и вспомогательного оборудования в котельной должно производиться в соответствии с проектом и учетом требований СП 89.13330. 2016 «Котельные установки. Актуализированная редакция СНиП II-35-76» и «Правил устройства и безопасной эксплуатации паровых котлов с давлением пара не более 0,07 МПа (0,7 кгс/см2), водогрейных котлов и водоподогревателей с температурой нагрева воды не выше 388 К (115 С). Правильный монтаж котла – залог его надежной и долгой работы.
Чтобы правильно подключить котел на дровах 0.7 МВт в котельной необходимо оставить проемы для обслуживания оборудования во время эксплуатации. На представленной здесь схеме указаны их минимальные размеры. Кроме того, в данной примерной схеме монтажа водогрейных котлов и оборудования указан перечень минимально необходимого вспомогательного оборудования для правильной работы котла.
К вспомогательному оборудованию при подключении промышленного водогрейного котла на дровах относят - щит управления котлом, насос циркуляционный, насос подпиточной воды, бак запаса воды, расширительный мембранный бак, дымовую трубу, систему газоходов и дымосос, золоуловитель (по желанию).
В случае если подпиточная вода не соответствует по своим характеристикам требованиям к питательной воде, необходимо предусмотреть систему водоподготовки котловой воды.
Для котельных 1 категории, являющиеся единственным источником тепла системы теплоснабжения и обеспечивающие потребителей первой категории, не имеющих индивидуальных резервных источников тепла, необходимо предусмотреть полное резервирование оборудования – подключение 2 (двух) котлов, насосов, ТДМ. Пунктиром обозначено оборудование для резервирования.
Для котельных 2 категории, включающие в себя промышленные и производственные котельные резервирование нужно предусматривать по необходимости.
Воздух в водогрейный котел на дровах 0.7 МВт подается вентилятором поддува через топочный короб под слой древесного топлива для обеспечения горения. На боковой панели топки котла имеется пробоотборочный штуцер для подключения манометра и тягонапорометра.
Автоматика котла по данным тягонапорометра производит контроль разряжения в топочной камере, блокируя работу вентилятора в случае снижения разряжения в топочной камере, и исключая выбивание дымовых газов из топки в котельный зал. Из топки дымовые газы поступают в первый конвективный пакет, разворачиваются в поворотном коробе и через второй конвективный пакет выходят в газоходы котельной.
Для ручной регулировки тяги и дутья и режимов горения древесного топлива в комплекте котла предусмотрены шиберы. Шибер на воздуховоде подачи в топочный короб регулирует количество воздуха подаваемого вентилятором. Шибер на выходе из котла позволяет произвести отключение котла от общей магистрали газоходов котельной, а также регулировку тяги создаваемой дымососом.
При работе котла на дровах 0.7 МВт на древесном топливе дополнительная очистка дымовых газов с помощью золоуловителей не нужна. Схема подключения при этом следующая - дымовые газы выходят из котла в газоходы котельной, затем в дымосос и далее снова по газоходам в дымовую трубу. В зависимости от компоновки котельной дымосос может устанавливаться как в котельной, так и на улице. Наш завод производит газоходы и переходники к ним. Получив схему вашей котельной мы можем изготовить для вас комплект газоходов, переходников нужных размеров и сечений. На месте такие детали собираются как конструктор. Обращаем ваше внимание, что газоходы требуют изоляции, для защиты персонала от ожогов, так как уходящие газы имеют высокую температуру, а на улице газоходы требуют изоляции для избежания образования конденсата.
Золоуловитель для промышленного дровяного котла на дровах 0.7 МВт обычно требуется устанавливать в котельных расположенных в жилой зоне и по требованию надзорных органов. Они позволяют произвести дополнительную очистку дымовых газов перед их выбросом в атмосферу. Золоуловители нашего завода могут устанавливаться как сразу за котлом, так и снаружи котельной. Кроме очистки воздуха золоуловители увеличивают сопротивление в газовом тракте, поэтому при их установке требуется дымосос большей мощности.
Образец тепловой схемы подключения дровяного котла на дровах 0.7 МВт и вспомогательного оборудования в котельной приведен на данной схеме. При эксплуатации очень важно грамотно осуществить подключение оборудования, установить все контрольно измерительные приборы, для контроля параметров работы котельной и запорную арматуру для оперативного переключения потока теплоносителя при плановой или аварийной остановке оборудования. Данную схему можно использовать как пример для разработки под свой объект или заказать у нас разработку индивидуальной схемы для вашей котельной.
При монтаже котла на дровах 0.7 МВт на участке водоподводящего трубопровода после задвижки, непосредственно перед входом во входной и на выходном трубопроводах устанавливаются по одному манометру и термометру. На входе или выходе из котла устанавливается устройство контроля расхода теплоносителя (реле протока). Кроме того, на выходном трубопроводе устанавливаются не менее двух предохранительных клапанов - один рабочий, второй резервный.
Все приборы, кроме реле протока входят в комплектацию котла. Реле протока входит в комплектацию щита управления данного котла, щит покупается отдельно.
Водогрейные котлы производства Котельный завод "РЭП" соответствуют строгим стандартам качества и безопасности. Завод производит котлы КВр-0.7 Д в соответствии с требованиями ГОСТ 30735-3001 по Техническим Условиям завода.
Котлы имеют все необходимые сертификаты соответствия Техническим регламентам Таможенного союза:
Водогрейный котел на дровах 0.7 МВт имеет гарантийный срок 24 месяца и срок работы при соблюдении правил монтажа и эксплуатации оборудования 10 лет.

Отзыв о работе котла КВр производства Котельный завод "РЭП", проработавшего на АО "Водоканал" г. Белокуриха 10 лет. Интервью предоставил заместитель главного директора по производству Суходоев Сергей Николаевич.

Интервью с главным энергетиком базового комплекса "Сводор" г. Барнаул о работе водогрейного котла нашего производства, отапливающего предприятие с 2008 года.
Водогрейный котел на дровах КВД 0.7 МВт используется для отопления производственных, административных и жилых зданий. Котельный завод производит и поставляет весь перечень сопутствующего котельного оборудования - насосы, газоходы, автоматику, дымососы, дымовые трубы, циклоны и прочее. Специалисты нашего завода бесплатно подберут сопутствующее оборудование, а в случае необходимости, выполнят проектирование, монтаж и пуско-наладку котельной установки.
Подобрать мощность котла по площади важно учитывая не только площадь и объем здания, но и тип зданий и климатические данные региона.
На нашем сайте калькулятор расчета мощности котла учитывает тепло, требуемое на возмещение тепловых потерь через строительные конструкции и потери, вызываемые инфильтрацией (проникновением) наружного воздуха, через их неплотности и периодически открываемые двери.
Наружный строительный объем здания должен определяться умножением площади горизонтального сечения, взятого по внешнему обводу здания на уровне первого этажа на полную высоту здания, измеренную для панельных зданий: от уровня чистого пола (нулевой отметки) до верхней плоскости теплоизоляционного слоя чердачного покрытия, для остальных строений от уровня земли.
Расчетная температура воздуха в отапливаемых зданий принимается в зависимости от типа и назначения здания:
В случае если требуется отопление различных по типу зданий, теплопотребление каждого считается отдельно, полученные значения складываются и подобрать мощность котла нужно в соответствии с общей суммарной мощностью каждого отдельно стоящего задания.
Климатические условия вашего региона принимаются в соответствии с СП 131.13330 Строительная климатология. Данные по всем регионам России занесены в наш калькулятор расчета мощности котла.
Подобрать мощность котла по площади с учетом потребностей объекта в тепле на вентиляцию и горячую воду возможно только с более детальным расчетом. Его вы можете заказать в отделе сбыта котельного завода отправив заявку на электронный адрес sb@kvzr.ru или позвонив по телефонам (38-52) 29-97-41, 29-97-42.